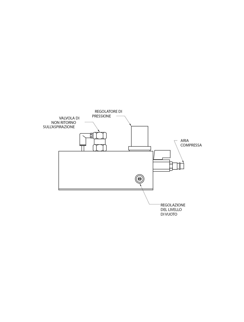
SERIE MCV-ES

POMPA CENTRALE DI VUOTO COMPATTA CON ENERGY SAVING.

Chiedi ai nostri esperti